
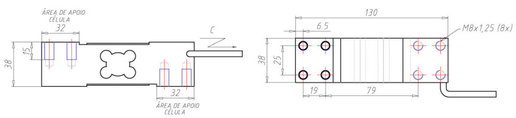
| ESPECIFICAÇÕES | |
|---|---|
| Capacidade Nominal – KG | 50 / 100 / 200 / 300 / 500 |
| Material | Inox |
| Sensibilidade mV / V | 2.0000 + / – 0,1% |
| Temperatura de Trabalho | – 5 a + 60ºC |
| Temperatura Compensada | 0 a + 50ºC |
| Maxima Sobrecarga % capacidade nominal | 150 |
| Sobrecarga de ruptura % capacidade nominal | 300 |
| Resistência Elétrica (Ω) | E 490 + / – 10% S 350 + / – 3 |
| Número de Divisões | 10.000 |
| Classe de Proteção | IP 67 |
Alfa Instrumentos Eletrônicos é uma empresa 100% Nacional com sede própria há mais de 40 anos no mercado industrial.
Com mais de 45 anos atuando no segmento de pesagem industrial, a Alfa Instrumentos, reconhecida pela qualidade e tecnologia embarcada, executa serviços de Startup, suporte técnico, manutenção, calibração, treinamento, ajustes, entre outros.
Copyright © 2025 Todos os direitos reservados.